卡套接头
2015-05-27

双卡套密封原理
旋转螺帽轴向推动后卡套和前卡套尾部达到轴向定位。继续旋紧,前卡套顶住接头体锥孔挤压 Tube 管,使 Tube
管局部凹陷变形;同时后卡套顶住前卡套挤压 Tube 管,使 Tube 管局部凹陷变形;双卡套的联合作用可以实现接头
耐高压,无泄漏以及管道安装的牢固性。
安装接头时,需要固定住接头,用扳手带动螺帽顺时针旋转。如果不固定住接头就直接紧螺帽,这样旋紧的力
矩作用点就不在所对应的接头而是在流体管路某个位置,很可能对该处造成不良影响。
熊川双卡套、接头以及螺帽均采用优质 316 不锈钢材质,螺帽内螺纹表面镀银,防止在高温高压下螺纹发生咬
死现象。

螺钉 — BT

隔壁等径两通接头 — BU

变径两通接头 — RU

短隔壁等径两通接头 — SBU

隔壁变径两通接头 — BUR

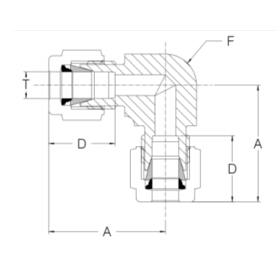
等径直角两通接头 — VU


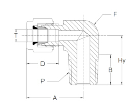
双卡套转外锥螺纹隔壁街头 — MBU

双卡套转内锥螺纹隔壁街头— FBU

变径三通接头 — RUT

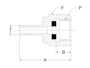
双卡套转外锥螺纹接头 — MF

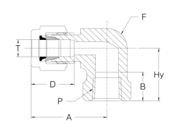
双卡套转外螺纹直角接头 — MV


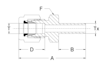
双卡套转外直螺纹接头 — MC


RP 金属垫片

RS 非金属垫片

双卡套转内直螺纹接头 — FC


双卡套转压力表接头 — UP


双卡套转压力表隔壁接头 — BUP

Tube 管转压力表接头 — TUP


双卡套转气瓶阀出口接头 —CVU

双卡套转 Tube 管缩颈接头 — RED


Tube 管转外锥螺纹接头 — MA

Tube 管转内锥螺纹接头 — FA

双卡套转内螺纹直角接头 — FV


管堵头 — TC

接头堵头 — P

