减压阀
性能指标
1.工作压力可达41.3Mpa,仅限于1/4英寸及以下的小管径
2.更广泛的适用温度范围:-35℃~232℃(氟橡胶限于204℃,全氟橡胶限于232℃)
3.端接公制从2至12mm,英制1/8、1/4、3/8、1/2in
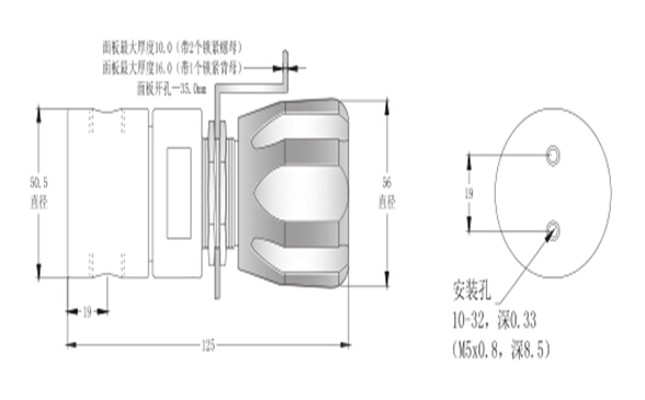
低压减压调压阀

*单级式减压结构,不锈钢膜片传输压力,输出压力稳定 ;
*最大输入压力: 1500psig(103bar)
*输出压力:0-15,0-36,0-75,0-125psig(0-1,0-2.5,0-5.2,0-8.6bar)
*安全测试压力: 1.5倍的最大输入压力;
*使用温度:-23℃~74℃(氟橡胶)
*Cv值:1.8
*阀体螺纹:进出气接口 3/4''NPT内螺纹,压力表接口1/4”NPT内螺纹;
*面板式或底部墙式安装
*适用于气体及液体,广泛应用于气体吹扫系统、过程控制、气体汇流排、石化工业领域。
低压减压调节阀

*单级式减压结构,不锈钢膜片传输压力,输出压力稳定 ;
*最大输入压力: 3000psig(207bar)
输出压力:0-36,0-75,0-150,0-250psig(0-2.5,0-5.2,0-10.3,0-17.2bar)
*安全测试压力: 1.5倍的最大输入压力;
*使用温度:-23℃~74℃(氟橡胶)
*Cv值:1.0
*阀体螺纹:进出气接口 1/2''NPT内螺纹,压力表接口 1/4''NPT内螺纹;
*板式或底部墙式安装;
*适用于气体及液体,广泛应用于气体吹扫系统、制程控制、气体汇流排、石油化学工业等领域。
低压减压调节阀

*单级式减压结构,不锈钢膜片传输压力,输出压力稳定 ;
*最大输入压力: 3000psig(207bar)
*输出压力:0-36,0-75,0-150,0-250psig(0-2.5,0-5.2,0-10.3,0-17.2bar)
*安全测试压力: 1.5倍的最大输入压力;
*使用温度:-23℃~74℃
*Cv值:0.08或0.24
*阀体螺纹:进出气接口 1/4''NPT内螺纹,压力表接口 1/4''NPT内螺纹;
*面板式或底部墙式安装;
*适用于气体及液体,广泛应用于试验测试气体、一般工业气体、各类标准气体、实验室、分析测试仪器、气体汇流排、石油化学工业等领域。
中压减压调节阀

*活塞型减压结构,适用于高输入压力要求 ;
*最大输入压力:6000psig(413bar),输出压力:0-1500,0-2320,0-3000psig(0-103,0-160,0-207bar)
*安全测试压力:1.5倍的最大输入压力;
*使用温度:-23℃~74℃(氟橡胶) Cv值:0.08或0.24
*阀体螺纹:进出气接口 1/4''NPT内螺纹,压力表接口 1/4''NPT内螺纹;
*面板式安装;
*用于气体及液体,广泛应用于实验室、分析测试仪器、制程控制、气体汇流排、石油化工业等领域。
高压减压调节阀

*活塞型减压结构,适用于高输入压力要求 ;
*最大输入压力:10000psig(690bar),输出压力:0-2500,0-4000,0-6000psig(0-172,0-276,0-413bar)
*安全测试压力:1.5倍的最大输入压力;
*使用温度:-23℃~74℃(氟橡胶) Cv值:0.06
*阀体螺纹:进出气接口 1/4''NPT内螺纹,压力表接口 1/4''NPT内螺纹;
*面板式安装;
*用于气体及液体,广泛应用于实验室、分析测试仪器、制程控制、气体汇流排、石油化工业等领域。
